Novinky
13.11.2023
Prodloužená záruka přívěsu o 12 měsíců.
PRODLOUŽENÁ ZÁRUKA ROK NAVÍC
Při zakoupení jakéhokoliv přívěsu Brenderup v období 13.11. 2023 až 31.12. 2023 získáte automaticky prodlouženou tovární...
číst celé
08.03.2023
Levný a přesto kvalitní hoby přívěsný vozík
Německá kvalita vyrobena v Polsku. Kdo už někdy viděl přívěsy výrobce Neptun nemohl většinou uvěřit, že jde o výrobek produkován v Polsku. Kvalitní, ...
číst celé
12.10.2022
Recenze e-shopu Europřívěsy.cz
Vaše recenze nám pomůže
Bohužel v dnešní době si mnoho lidí stěžuje a málo lidí chválí. Máme ročně prodáno tisíce přívěsů do všech koutů Česka ale je...
číst celé
AKCE
RYCHLÉ KONTAKTY
Plzeň (Srbice) 776 026 008
Planá nad Lužnicí 775 117 577
K. Vary (Chodov) 775 099 388
Chrudim(Luže) 602 591 589
Olomouc 720 951 435
Třinec 608 768 845
Kropáčova Vrut. 603 883 099
Žilina(SK) +421 901 713 526
Zvolen(SK) +421 905 494 329
Nitra(SK) +421 905 881 528
- Úvod
- Příšlušenství a náhradní díly
- NÁHRADNÍ DÍLY
- Nápravy, osy, tlumiče
- Nápravy
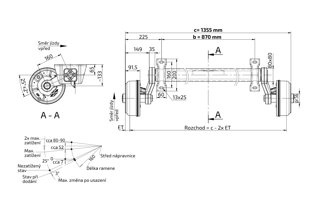
- Náprava KNOTT VGB 13 (1350 kg) b= 870 mm, c=1355 mm, 200x50, 100x4
Náprava KNOTT VGB 13 (1350 kg) b= 870 mm, c=1355 mm, 200x50, 100x4

- Kompletní specifikace
- Parametry
- Komentáře 0
Náprava KNOTT VGB 13 (1350 kg) b= 870 mm, c=1355 mm, 200x50, 100x4Není skladem14 455 Kč11 946 Kč bez DPH
Kompletní specifikace
| šířka v montážních úchytech (mm) | 870 |
| šířka přes dosedací plochy bubnů (mm) | 1355 |
| hmotnost (kg) | 45 |
| výrobce | KNOTT |
| brzděná/nebrzděná | brzděná |
| maximální zatížení nápravy (kg) | 1350 |
| odpružení | pryžové |
| odolnost vůči vodě | Standardní |
| seřizování kolových jednotek | manuální |
| kolová jednotka | KNOTT typ 20-2425/1 (200x50) |
| kolový úchyt | 112x5 |
| povolený zális kola (ET / IS) | 25-35 mm |
| příprava pro tlumiče | ne |
Parametry
VýrobceKNOTT
Zboží zařazeno v kategoriích






