RYCHLÉ KONTAKTY
Plzeň (Srbice) 776 026 008
Planá nad Lužnicí 775 117 577
K. Vary (Chodov) 775 099 388
Chrudim(Luže) 602 591 589
Olomouc 720 951 435
Třinec 608 768 845
Kropáčova Vrut. 603 883 099
Žilina(SK) +421 901 713 526
Zvolen(SK) +421 905 494 329
Nitra(SK) +421 905 881 528
- Úvod
- Příšlušenství a náhradní díly
- NÁHRADNÍ DÍLY
- Nápravy, osy, tlumiče
- Nápravy
- Náprava KNOTT VG 7-L (750 kg) b=1000 mm, 100x4, nízké patky
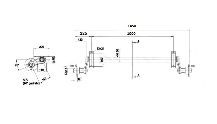
Náprava KNOTT VG 7-L (750 kg) b=1000 mm, 100x4, nízké patky
- Novinka

- Kompletní specifikace
- Parametry
- Komentáře 0
Náprava KNOTT VG 7-L (750 kg) b=1000 mm, 100x4, nízké patkyNení skladem7 415 Kč6 128 Kč bez DPH
Výrobce: KNOTT
Brzděná/nebrzděná: nebrzděná
Maximální zatížení nápravy: 750kg
Šířka nápravy v montážních úchytech: 1000mm
Šířka nápravy přes dosedací plochy bubnů/nábojů: 1450mm
Kolový úchyt: 100x4
Příprava pro tlumiče: ne
Hmotnost: 40kg
Odolnost vůči vodě: standardní
Povolený zális kola (ET/IS): 0-45mm
Dostupnost: 20 dnů






