RYCHLÉ KONTAKTY
Plzeň (Srbice) 776 026 008
Planá nad Lužnicí 775 117 577
K. Vary (Chodov) 775 099 388
Chrudim(Luže) 602 591 589
Olomouc 720 951 435
Třinec 608 768 845
Kropáčova Vrut. 603 883 099
Žilina(SK) +421 901 713 526
Zvolen(SK) +421 905 494 329
Nitra(SK) +421 905 881 528
- Úvod
- Příšlušenství a náhradní díly
- NÁHRADNÍ DÍLY
- Nápravy, osy, tlumiče
- Nápravy
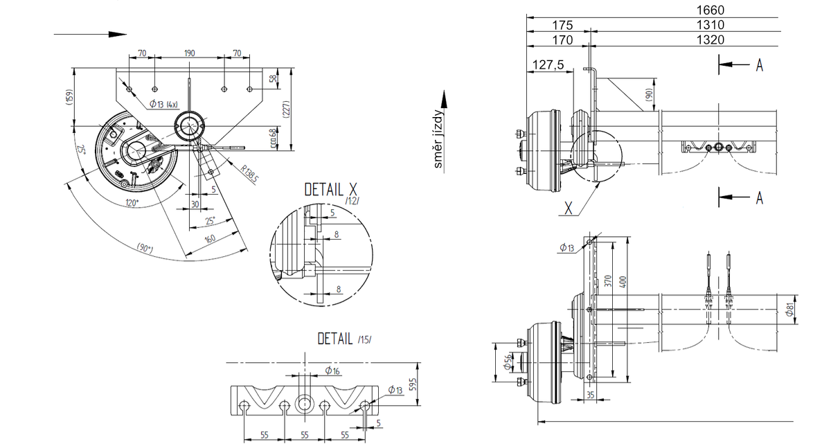
- Náprava KNOTT GB 13 (1350 kg) b=1320 mm 200x50 (112x5), vysoké patky (Sacher)
Náprava KNOTT GB 13 (1350 kg) b=1320 mm 200x50 (112x5), vysoké patky (Sacher)
- Novinka

- Kompletní specifikace
- Komentáře 0
Náprava KNOTT GB 13 (1350 kg) b=1320 mm 200x50 (112x5), vysoké patky (Sacher)Není skladem16 852 Kč13 927 Kč bez DPH
Výrobce: KNOTT
Brzděná/nebrzděná: brzděná
Maximální zatížení nápravy: 1350kg
Šířka nápravy v montážních úchytech: 1320mm
Šířka nápravy přes dosedací plochy bubnů/nábojů: 1660mm
Kolový úchyt: 112x5
Kolová jednotka: KNOTT typ 20-2425/1 (200x5)
Příprava pro tlumiče: ano
Úhel ramen: 25°
Hmotnost: 57kg
Samostavy: ne
Odolnost vůči vodě: standardní






