RYCHLÉ KONTAKTY
Plzeň (Srbice) 776 026 008
Planá nad Lužnicí 775 117 577
K. Vary (Chodov) 775 099 388
Chrudim(Luže) 602 591 589
Olomouc 720 951 435
Třinec 608 768 845
Kropáčova Vrut. 603 883 099
Žilina(SK) +421 901 713 526
Zvolen(SK) +421 905 494 329
Nitra(SK) +421 905 881 528
- Úvod
- Příšlušenství a náhradní díly
- NÁHRADNÍ DÍLY
- Nápravy, osy, tlumiče
- Nápravy
- Náprava AL-KO Starr Plus LS (1500kg) a= 950 mm, 112x5
Náprava AL-KO Starr Plus LS (1500kg) a= 950 mm, 112x5
- Novinka

- Kompletní specifikace
- Parametry
- Komentáře 0
Náprava AL-KO Starr Plus LS (1500kg) a= 950 mm, 112x5Není skladem9 367 Kč7 741 Kč bez DPH
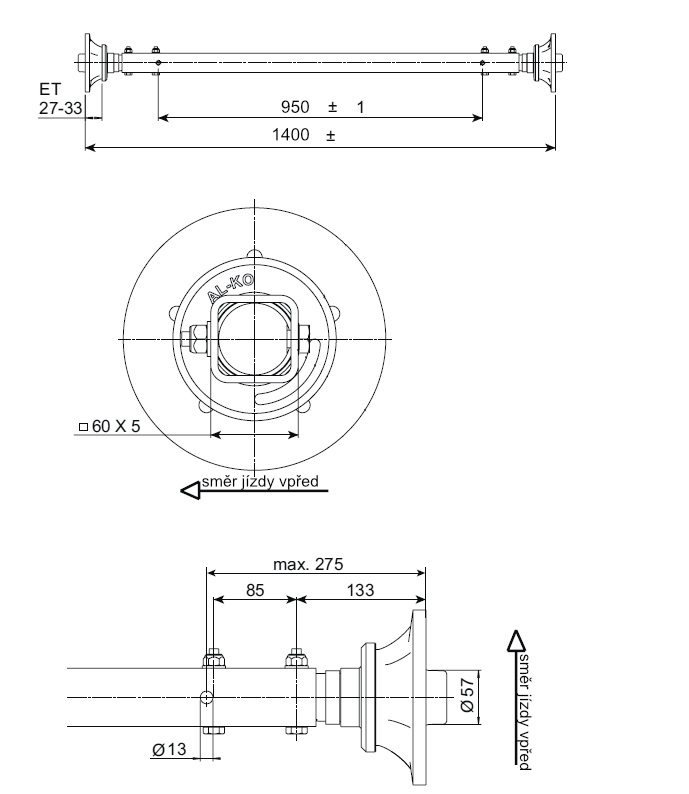
Pevná náprava s nebrzděnými kolovými jednotkami AL-KO pro osazení na listových pružinách. Používá se v kombinaci se speciálními hydraulickými tlumiči AL-KO. Oproti dnes běžnému odpružení různými systémy gumových elementů poskytují nápravy s listovými pery výrazně měkčí pružení. Spolu s kvalitními hydraulickými tlumiči pérování se tak postarají o dokonalé vyhlazení všech rázů zapřičiněných nerovnostmi vozovky. Pomáhají tak eliminovat poskakování přívěsu na příčných prazích, výtlukách i polních cestách. Výborně se hodí pro užití na přívěsech určených k převozu křehkých nebo na otřesy náchylných materiálů a výrobků jako sklo, sádrokarton, svítidla, porcelán apod. Kvalitní odpružení s výborným zatlumením ocení i ti, kteří využívají přívěs pro převoz lehkých nákladů. Jízda po nerovnostech je i s málo naloženým nebo prázdným přívěsem pohodlnější a bezpečnější, otřesy netrpí náklad ani vlastní rám přívěsu.
| Výrobce: | AL-KO |
|---|---|
| brzděná/nebrzděná: | nebrzděná |
| maximální zatížení nápravy: | 1500 kg |
| šířka nápravy v montážních úchytech: | 950 mm |
| šířka nápravy přes dosedací plochy bubnů/nábojů: | 1400 mm |
| kolový úchyt: | 112x5 |
| hmotnost: | 26,2 kg |
| odolnost vůči vodě: | Standardní |
| povolený zális kola (ET / IS): | 27-33 mm |
Dostupnost: 16 týdnů






