RYCHLÉ KONTAKTY
Plzeň (Srbice) 776 026 008
Planá nad Lužnicí 775 117 577
K. Vary (Chodov) 775 099 388
Chrudim(Luže) 602 591 589
Olomouc 720 951 435
Třinec 608 768 845
Kropáčova Vrut. 603 883 099
Žilina(SK) +421 901 713 526
Zvolen(SK) +421 905 494 329
Nitra(SK) +421 905 881 528
- Úvod
- Příšlušenství a náhradní díly
- NÁHRADNÍ DÍLY
- Nápravy, osy, tlumiče
- Nápravy
- Náprava AL-KO OPTIMA UBR 700-5 (750 kg) a=1092 mm, 100x4, vysoké patky (Agados,
Náprava AL-KO OPTIMA UBR 700-5 (750 kg) a=1092 mm, 100x4, vysoké patky (Agados,
- Novinka

- Kompletní specifikace
- Parametry
- Komentáře 0
Náprava AL-KO OPTIMA UBR 700-5 (750 kg) a=1092 mm, 100x4, vysoké patky (Agados,Není skladem5 474 Kč4 524 Kč bez DPH
Výrobce: AL-KO
Brzděná/nebrzděná: nebrzděná
Maximální zatížení nápravy: 750kg
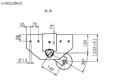
Šířka nápravy v montážních úchytech: 1092mm
Šířka nápravy přes dosedací plochy bubnů/nábojů: 1450mm
Kolový úchyt: 100x4
Příprava pro tlumiče: ne
Úhel ramen: 30°
Odolnost vůči vodě: standardní
Dostupnost: 14 dnů






