RYCHLÉ KONTAKTY
Plzeň (Srbice) 776 026 008
Planá nad Lužnicí 775 117 577
K. Vary (Chodov) 775 099 388
Chrudim(Luže) 602 591 589
Olomouc 720 951 435
Třinec 608 768 845
Kropáčova Vrut. 603 883 099
Žilina(SK) +421 901 713 526
Zvolen(SK) +421 905 494 329
Nitra(SK) +421 905 881 528
- Úvod
- Příšlušenství a náhradní díly
- NÁHRADNÍ DÍLY
- Nápravy, osy, tlumiče
- Nápravy
- Náprava AL-KO Compact WASSER B 1200-6 (1350 kg) a=1450 mm, 112x5
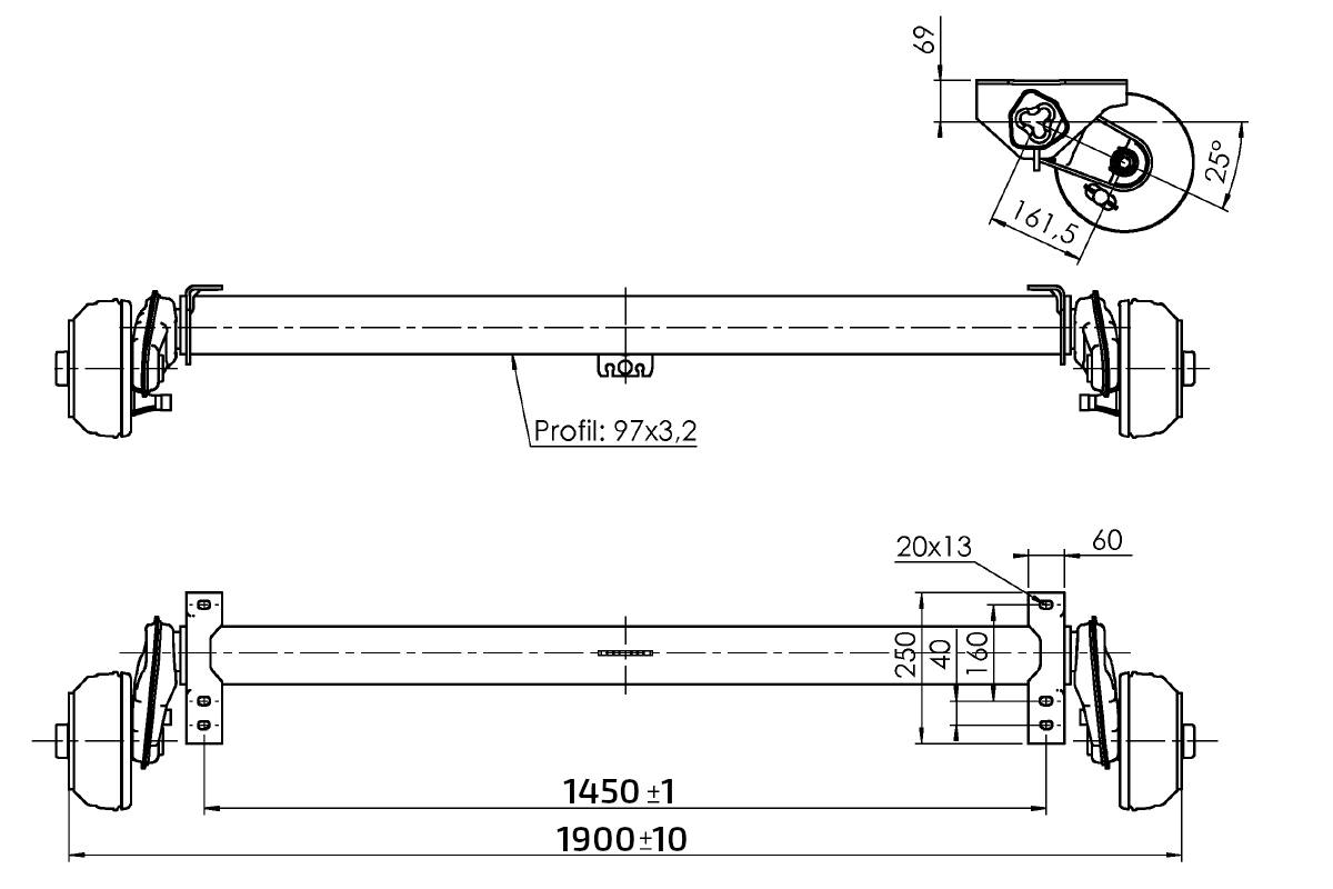
Náprava AL-KO Compact WASSER B 1200-6 (1350 kg) a=1450 mm, 112x5
- Novinka

- Kompletní specifikace
- Parametry
- Komentáře 0
Náprava AL-KO Compact WASSER B 1200-6 (1350 kg) a=1450 mm, 112x5Není skladem18 304 Kč15 127 Kč bez DPH
Výrobce: AL-KO
Brzděná/nebrzděná: brzděná
Maximální zatížení nápravy: 1350kg
Šířka nápravy v montážních úchytech: 1450mm
Šířka nápravy přes dosedací plochy bubnů/nábojů: 1900mm
Kolový úchyt: 112x5
Kolová jednotka: AL-KO typ 2051 (pr.čepu 34mm)
Příprava pro tlumiče: ne
Úhel ramen: 25°
Hmotnost: 53 kg
Samostavy: ne
Odolnost vůči vodě: Zvýšená
Dostupnost: 30 dnů






